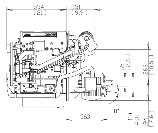
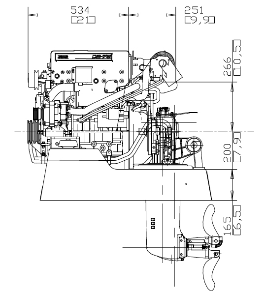
VOLVO D2-75

Der Volvo Penta D2-75 ist ein leistungsstarker, laufruhiger 4-Zylinder-Turbodieselmotor, ausgelegt für Segelboote und Verdränger. Er verfügt über 2,2 Liter Hubraum, Zweikreiskühlung, einen 115 A Generator und ist mit Saildrive (MS25A/S) oder Wendegetriebe (HS25A/MS25L) erhältlich. Der Motor erfüllt die RCD II/EPA Tier 3 Abgasnormen.

Bitte lassen Sie sich unverbindlich ein Angebot erstellen info[at]bootsmotoren-thiesen.de

Gerne nehmen wir auch ihren gebrauchten Motor in Zahlung!